010-62968273
当前位置:首页 > 产品展示 > 2-40W系列 > 正文
WDT3系列
来源:本站 编辑:管理员 更新时间:2015-11-04 点击:2200次
 
 WDT 3 系列

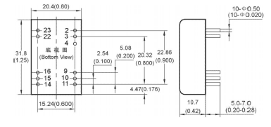
外形尺寸 单位:mm(inches),外形公差:±0.5mm。